Цифрові реле перевантаження TRM-400 призначені для захисту навантаження від пошкоджень, викликаних високими струмами, з одночасною можливістю контролю роботи.
- 290-400A (регульоване значення перевантаження)
- Регульований час затримки помилки
- Регульований режим роботи (автоматичний, напівавтоматичний, ручний)
- Купуючи реле струму компанії TENSE, ви отримуєте готовий до роботи прилад — у комплект постачання входять трансформатори струму.
Використання пристрою та принцип роботи
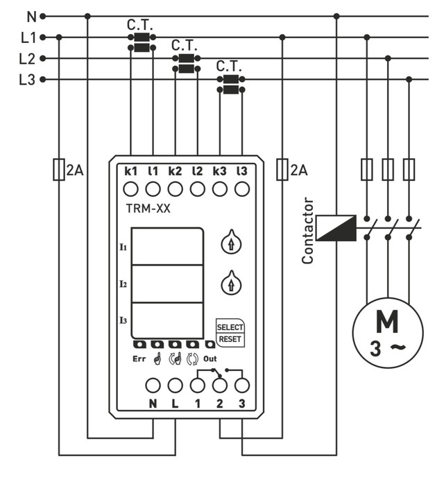
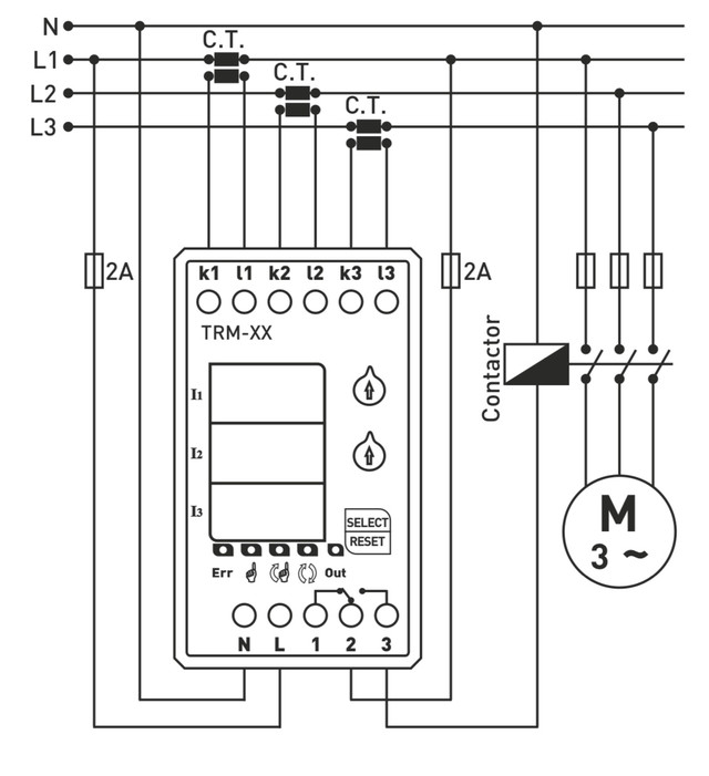
- Підключіть пристрій згідно зі схемою підключення.
- Після завершення підключення подайте живлення на пристрій. Після увімкнення дисплей відображає встановлені значення протягом 5 секунд.
- Для налаштування значення перевантаження використовуйте регулятор «A>». Під час налаштування встановлене значення відображається на лівому дисплеї.
- Для встановлення часу затримки використовуйте регулятор «t». Встановлене значення також відображається на лівому дисплеї.
Коли пристрій увімкнено:
- Реле вмикається, вихідний контакт перемикається на клему 3, і загоряється індикатор OUT.
- Якщо струм перевищує встановлене значення перевантаження (A>), пристрій відраховує час затримки, при цьому загоряється індикатор ERR.
- Після завершення часу реле вимикається, контакт перемикається на клему 1, а індикатор OUT гасне.
Схема підключення:

Електронне реле струму серії TRM-400 призначене для автоматичного відключення споживачів при перевищенні максимально допустимих струмів споживання. Має програмований діапазон спрацьовування, можливість налаштування часу спрацьовування та часу зворотного включення. Також реалізовано 3 програми повернення в "робочий" режим — РУЧНИЙ, НАПІВАВТОМАТ, АВТОМАТ.
Режими скидання (Reset Modes):
- Ручний режим: Для скидання пристрою після помилки перевантаження необхідно натиснути кнопку Reset. У цьому режимі загоряється відповідний світлодіод.
- Напівавтоматичний режим: У пристрої передбачено автоматичне скидання системи тричі при виникненні помилки перевантаження, а потім очікування ручного скидання при наступній помилці. У цьому режимі загоряється відповідний світлодіод.
- Автоматичний режим: У пристрої передбачено автоматичне скидання системи при кожній помилці перевантаження. У цьому режимі загоряється відповідний світлодіод.
Примітка: Для зміни режиму утримуйте кнопку SELECT протягом 10 секунд. Після зміни режиму загориться відповідний світлодіод.
Технічні характеристики:
- Робоча напруга: 150В - 260В AC
- Частота роботи: 50/60 Гц
- Споживана потужність: <6ВА
- Робоча температура: -20°C.....+55°C
- Дисплей: 3x3 розряди, 5 світлодіодів
- Значення перевантаження (A>): 290-400A
- Час затримки: 1с - 200с
- Тип підключення: Клемне з'єднання
- Контакти: 5А / 250В AC (активне навантаження)
- Діаметр кабелю: 2,5 мм²
- Маса: Макс. 250 г
- Монтаж: Установка на DIN-рейку
- Висота експлуатації: <2000 м
Габаритні розміри:

Примітка: Моделі TRM-50, TRM-100, TRM-200 і TRM-300 можна використовувати тільки з трансформаторами струму, що постачаються разом із пристроєм. Модель TRM-400 можна використовувати з трансформатором струму 400/5.
Доданий: 07 жовтня 2025, 00:49
Оновлений: 07 жовтня 2025, 00:49